欢迎光临佛山市南海区咏昊焊管模具厂!

在线留言 | 网站标签

产品展示

PRODUCT DISPLAY

佛山市南海区咏昊焊管模具厂
联系人:黄经理
手机:13695194505
地址:佛山市南海区狮山镇小塘工业大道自编号58-1号

LD型电动单梁桥式起重机01

当前位置:首页 - LD型电动单梁桥式起重机01

LD型电动单梁桥式起重机01


 产品参数:

LD单梁起重机

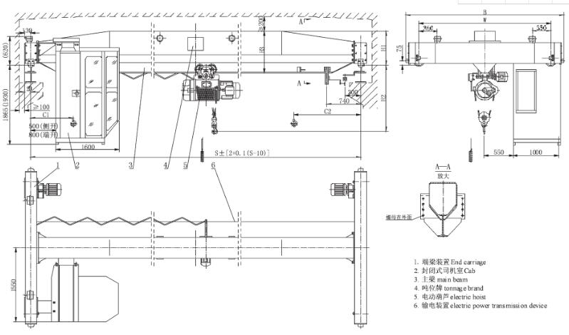
  LD单梁起重机桥架的主梁多采用工字型钢或钢型与钢板的组合截面。起重小车常为手拉葫芦、电动葫芦或用葫芦作为起升机构部件装配而成。单梁桥式起重机广泛应用于机械制造车间、冶金车间、石油、石化、港口、铁路、民航、电站、造纸、建材、电子等行业的车间、仓库、料场等。具有外形尺寸紧凑、建筑净空高度低、自重轻、轮压小等优点。
D型电动单梁起重机是在“LD”的基础上进行改进设计的,较“LD型”具有结构合理,整机刚性强的特点。整机与CD型、MD型电动葫芦配套使用,是一种轻小型的起重机械。
    其起重量为1t-10t。跨度为7.5-22.5m,   工作级别为A3-A5,工作环境温度为-25度-40度。本产品广泛用于工厂、仓库、料场等不同场合吊运货物,禁止在易燃、易爆、腐蚀性介质环境中使用。本产品设有地面和操纵室两种操作形式。操纵室有开式、闭式两种,可根据实际情况分为左或右两种形式,入门方向有侧面及端面两种,以满足用户在各种不同需要的情况下进行选择。

产品特点:

电动葫芦小车在主梁下翼缘运行,电动葫芦布置在主梁下方的桥式起重机。经过LD型的改进,形成了一种叫LDA型(JB/T1306)的电动单梁起重机。另外还有不常见的电动单梁起重机的另外2种型号:LDP型电动单梁起重机(偏挂式)和LDC型电动单梁起重机(欧式)。


产品结构图:



全国佛山起重机售后:
 
本产品严格按国家3包执行,产品质量由中国人民保险公司(PICC)承保,请放心使用。
本产品自售出之日起,在一年内正常使用状态下因出现的质量问题保修。
超出保修期的产品(无法维修的产品以例外),本公司负责维修,收取一定的配件成本费。

【订货须知】

(因起重机大部分为非标产品,订货前需预先了解如下内容):


1.订货前应确定起重机主要参数:起重量、跨度、起升高度、工作制度、轨道型号、承轨梁到屋顶最低点的距离和操纵室型式与开门方向等。
2. 当露天使用时,需带防雨设施。
3. 网站所标为标准件产品,仅供参考,具体由客户所提供的参数确定,完全可按客户需求定制。详情请来电我司 



  • 没有了
  • 下一篇:电动单梁桥式起重机02
  • 关键词: 起重机滑轮  成都起重机  电动单梁起重机  桅杆起重机  欧式单梁起重机  双梁桥式起重机  江门起重机  龙门式起重机  河南起重机  苏州起重机  徐工起重机  桅杆式起重机  桥式起重机的结构组成  船用起重机  抓斗起重机  佛山起重机  小型起重机  桥式起重机  防爆起重机  悬臂起重机  缆索式起重机  桥式起重机的结构组成  门式起重机厂家  双梁起重机  汽车起重机安全操作规程  起重机滑轮  电动葫芦起重机  矿山起重机  起重机操作证  汽车起重机安全操作规程  起重机十不吊口诀  天车起重机  起重机安全操作规程  港口起重机  起重机配件  江门起重机  移动式起重机  电磁起重机  起重机安全操作规程  门式起重机厂家  起重机分类  流动式起重机  桥式起重机的结构组成  天车起重机图片  轻型起重机  轮式起重机  抓斗起重机  防爆单梁起重机厂家  双梁桥式起重机  双梁起重机  桥式起重机  塔式起重机安全规程  电磁起重机 

    Copyright 2009 - 2020 , All rights reserved佛山市南海区咏昊焊管模具厂  地址:佛山市南海区狮山镇小塘工业大道自编号58-1号

    百度地图 粤ICP备2025367287号
    东坑  平远  蓬江  台山  德庆  海珠  汕头  古镇  兴宁  南山  化州  内江  南头  黄圃  罗定  南朗  广宁  自贡  阳春  横沥  深圳  茶山  始兴  东莞  信宜  潮南  阳江  金湾  广东揭阳  沙田  石排  普宁  茶山  潮州  四会  绵阳  雅安  龙岗  珠海  新丰  大埔  惠来  新丰  三角  梧州  曲江  揭东  信宜  南沙  横栏